
Genus Korotnevella Goodkov, 1988
Diagnosis: Length of locomotive form up to 120 µm. Similar in appearance to Mayorella, but less likely to lack blunt digitiform pseuodopodia extending from the anterior hyaline region. Floating form with slender radiating pseudopodia, frequently bent, extending from a more or less spherical central mass. Nucleus in some with lobed or irregular nucleolar material occasionally giving the impression of a binucleate cell. Cytoplasm without crystalline inclusions.
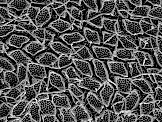
Cell surface covered in complex boat-like microscales, up to 700 nm long, discernible with EM. Some microscales with prominent terminal spikes.
Type species. Korotnevella bulla (Schaeffer, 1926) Goodkov, 1988
Habitat: Freshwater and mesohaline ecosystems.
Remarks: Two genus names, Dactylamoeba Korotnev, 1880 and Korotnevella Goodkov, 1988, are in current use. The latter name is preferred, pending rediscovery and characterization of Dactylamoeba elongata Korotnev, 1880, the type species of the genus. Korotnevella species can be divided into three groups on the basis of scale morphology, suggesting that the genus may not be monophyletic.







